Product Summary
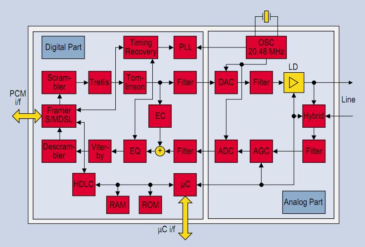
The PEF22622FV1.4 is a one chip transceiver IC. It integrates all functions of a SDSL transceiver accord-ing to the emerging ETSI and ITU standards. The PEF22622FV1.4 can operate at all data rates from 144 kBit/s up to 2.3 MBit/s in 8 kBit/s granularity. Its small package and low power consumption make it especially useful in linecard and remote feed applications. The PEF22622FV1.4 is also interoperable with the MuBIC MDSL chip. Infineon also supplies a wide range of other telecom ICs to offer complete system solutions for different applications.
Parametrics
PEF22622FV1.4 absolute maximum ratings: (1)Supply Current: 10 mA; (2)Operating Temperature Range: - 40 C to + 85℃.
Features
PEF22622FV1.4 features: (1)Single chip SDSL transceiver; (2)Plastic TQFP-144 package; (3)Lowest power consumption; (4)TCPAM linecode with 2, 3 or 4 Bits/symbol; (5)Synchronous or plesiochronous operation; (6)8-Bit μC parallel interface of Infineon/Intel and Motorola multiplexed/demuliplexed type; (7)Transparent transmission or built-in Framer with MuBIC or SDSL framing; (8)Embedded μC also usable for board control; (9)Two integrated HDLC controlers for payload and EOC; (10)Warmstart capability; (11)G. handshake start-up.
Diagrams

![]() |
![]() PEF20064EV1.2-G |
![]() Infineon Technologies |
![]() Network Controller & Processor ICs T/E |
![]() Data Sheet |
![]() Negotiable |
|
||||
![]() |
![]() PEF2015 |
![]() Other |
![]() |
![]() Data Sheet |
![]() Negotiable |
|
||||
![]() |
![]() PEF2023 |
![]() Other |
![]() |
![]() Data Sheet |
![]() Negotiable |
|
||||
![]() |
![]() PEF20256EV3.2-G |
![]() Infineon Technologies |
![]() Network Controller & Processor ICs T/E |
![]() Data Sheet |
![]() Negotiable |
|
||||
![]() |
![]() PEF2026T-PV1.1 |
![]() Infineon Technologies |
![]() Network Controller & Processor ICs ISDN |
![]() Data Sheet |
![]() Negotiable |
|
||||
![]() |
![]() PEF2026T-SV1.1 |
![]() Infineon Technologies |
![]() Network Controller & Processor ICs ISDN High Voltage Power Controller |
![]() Data Sheet |
![]() Negotiable |
|
||||
(China (Mainland))








