Product Summary
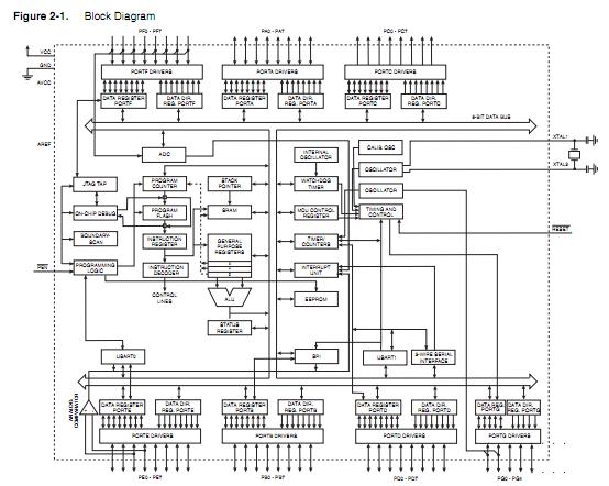
The ATMEGA64A-MU is a low-power CMOS 8-bit microcontroller based on the AVR enhanced RISC architecture. By executing powerful instructions in a single clock cycle, the ATMEGA64A-MU achieves throughputs approaching 1 MIPS per MHz, allowing the system designer to optimize power con- sumption versus processing speed. The ATMEGA64A-MU is manufactured using Atmel’s high-density non-volatile memory technology. The AVR core combines a rich instruction set with 32 general purpose working registers.
Parametrics
ATMEGA64A-MU absolute maximum ratings: (1)Operating Temperature: -55 to +125℃; (2)Storage Temperature: -65 to +150℃; (3)Voltage on any Pin except RESET with respect to Ground: -0.5V to VCC+0.5V; (4)Voltage on RESET with respect to Ground: -0.5V to +13.0V; (5)Maximum Operating Voltage: 6.0V; (6)DC Current per I/O Pin: 40.0 mA; (7)DC Current VCC and GND Pins: 200.0 - 400.0mA.
Features
ATMEGA64A-MU features: (1)High-performance, Low-power AVR? 8-bit Microcontroller; (2)Advanced RISC Architecture; (3)High Endurance Non-volatile Memory segments; (4)In-System Programming by On-chip Boot Program; (5)True Read-While-Write Operation; (6)JTAG (IEEE std. 1149.1 Compliant) Interface; (7)Two 8-bit Timer/Counters with Separate Prescalers and Compare Modes; (8)Two Expanded 16-bit Timer/Counters with Separate Prescaler, Compare Mode, and Capture Mode; (9)Real Time Counter with Separate Oscillator; (10)Two 8-bit PWM Channels; (11)6 PWM Channels with Programmable Resolution from 1 to 16 Bits; (12)8-channel, 10-bit ADC; (13)8 Single-ended Channels; (14)7 Differential Channels; (15)2 Differential Channels with Programmable Gain; (16)Power-on Reset and Programmable Brown-out Detection; (17)Internal Calibrated RC Oscillator; (18)External and Internal Interrupt Sources; (19)Six Sleep Modes: Idle, ADC Noise Reduction, Power-save, Power-down, Standby and Extended Standby; (20)Software Selectable Clock Frequency; (21)ATmega103 Compatibility Mode Selected by a Fuse; (22)Global Pull-up Disable.
Diagrams

| Image | Part No | Mfg | Description | ![]() |
Pricing (USD) |
Quantity | ||||||||
|---|---|---|---|---|---|---|---|---|---|---|---|---|---|---|
![]() |
![]() ATMEGA64A-MU |
![]() Atmel |
![]() 8-bit Microcontrollers (MCU) 64K Flsh 2K EEPROM 4K SRAM 16MHz |
![]() Data Sheet |
![]()
|
|
||||||||
![]() |
![]() ATMEGA64A-MUR |
![]() Atmel |
![]() 8-bit Microcontrollers (MCU) AVR 64KB FLSH 2KB EE 4KB SRAM-16MHz, IND |
![]() Data Sheet |
![]()
|
|
||||||||
(China (Mainland))









