Product Summary
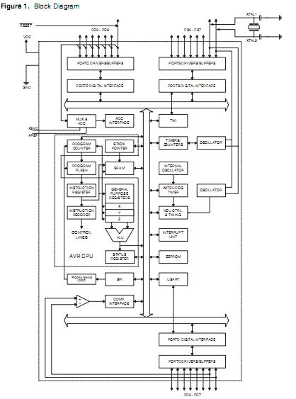
The ATMEGA8-16AU is a low-power CMOS 8-bit microcontroller based on the AVR RISC architecture. By executing powerful instructions in a single clock cycle, the ATMEGA8-16AU achieves throughputs approaching 1 MIPS per MHz, allowing the system designer to optimize power consumption versus processing speed.
Parametrics
ATMEGA8-16AU absolute maximum ratings: (1)Operating Temperature:-55℃ to +125℃; (2)Storage Temperature:-65℃ to +150℃; (3)Voltage on any Pin except RESET with respect to Ground:-0.5V to VCC+0.5V; (4)Voltage on RESET with respect to Ground:-0.5V to +13.0V; (5)Maximum Operating Voltage:6.0V; (6)DC Current per I/O Pin:40.0 mA; (7)DC Current VCC and GND Pins:300.0 mA.
Features
ATMEGA8-16AU features: (1)130 Powerful Instructions – Most Single-clock Cycle Execution; (2)32 x 8 General Purpose Working Registers; (3)Fully Static Operation; (4)Up to 16 MIPS Throughput at 16 MHz; (5)On-chip 2-cycle Multiplier; (6)8K Bytes of In-System Self-programmable Flash program memory; (7)512 Bytes EEPROM; (8)1K Byte Internal SRAM; (9)Write/Erase Cycles: 10,000 Flash/100,000 EEPROM; (10)Two 8-bit Timer/Counters with Separate Prescaler, one Compare Mode; (11)One 16-bit Timer/Counter with Separate Prescaler, Compare Mode, and Capture Mode; (12)Real Time Counter with Separate Oscillator; (13)Three PWM Channels; (14)8-channel ADC in TQFP and QFN/MLF package; (15)Byte-oriented Two-wire Serial Interface; (16)Programmable Serial USART; (17)Master/Slave SPI Serial Interface; (18)Programmable Watchdog Timer with Separate On-chip Oscillator; (19)On-chip Analog Comparator; (20)Power-on Reset and Programmable Brown-out Detection; (21)Internal Calibrated RC Oscillator; (22)External and Internal Interrupt Sources.
Diagrams

| Image | Part No | Mfg | Description | ![]() |
Pricing (USD) |
Quantity | ||||||||||||
|---|---|---|---|---|---|---|---|---|---|---|---|---|---|---|---|---|---|---|
![]() |
![]() ATmega8-16AU |
![]() Atmel |
![]() 8-bit Microcontrollers (MCU) 8kB Flash 0.5kB EEPROM 23 I/O Pins |
![]() Data Sheet |
![]()
|
|
||||||||||||
![]() |
![]() ATMEGA8-16AUR |
![]() Atmel |
![]() 8-bit Microcontrollers (MCU) AVR 8KB FLSH 512B EE 1KB SRAM-16MHz, IND |
![]() Data Sheet |
![]()
|
|
||||||||||||
(China (Mainland))










