Product Summary
The SS2B003 is a stepping motor designed specifically with high reliability in mind for mounting on an automobile.
Parametrics
SS2B003 absolute maximum ratings: (1)power supply voltage, +Vs: 40V; (2)ditto for logic, VCC: 18V; (3)output current, AO-BO: ±2.0A/phase; (4)junction temperature: 150℃; (5)storage temperature: -40 to 125℃; (6)operating case temp: 80℃.
Features
SS2B003 features: (1)stepping motors can be driven at their top performance thanks to the constant current control current of PWM mode; (2)this a model that was designed specifically with high reliability in mind for mounting on an automobile. This can stand operation in the temperature from -30 to 80℃; (3)also capable of micro-step driving; (4)can be driven at 1.5A/phase output current.
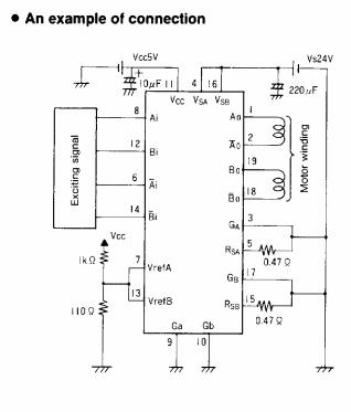
Diagrams

| Image | Part No | Mfg | Description | ![]() |
Pricing (USD) |
Quantity | ||||
|---|---|---|---|---|---|---|---|---|---|---|
![]() |
![]() SS2B003 |
![]() Other |
![]() |
![]() Data Sheet |
![]() Negotiable |
|
||||
| Image | Part No | Mfg | Description | ![]() |
Pricing (USD) |
Quantity | ||||
![]() |
![]() SS2B003 |
![]() Other |
![]() |
![]() Data Sheet |
![]() Negotiable |
|
||||
(China (Mainland))









