Product Summary
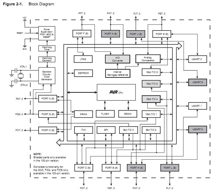
The ATMEGA2560-16AU is a low-power CMOS 8-bit microcontroller based on the AVR enhanced RISC architecture. By executing powerful instructions in a single clock cycle, the ATMEGA2560-16AU achieves throughputs approaching 1 MIPS per MHz allowing the system designer to optimize power consumption versus processing speed.
Parametrics
ATMEGA2560-16AU absolute maximum ratings: (1)Operating Temperature: -55 to +125℃; (2)Storage Temperature: -65 to +150℃; (3)Voltage on any Pin except RESET with respect to Ground:-0.5V to VCC+0.5V; (4)Voltage on RESET with respect to Ground: -0.5V to +13.0V; (5)Maximum Operating Voltage: 6.0V; (6)DC Current per I/O Pin: 40.0mA; (7)DC Current VCC and GND Pins: 200.0mA.
Features
ATMEGA2560-16AU features: (1)135 Powerful Instructions – Most Single Clock Cycle Execution; (2)32 x 8 General Purpose Working Registers; (3)Fully Static Operation; (4)Up to 16 MIPS Throughput at 16 MHz; (5)On-Chip 2-cycle Multiplier; (6)64K/128K/256K Bytes of In-System Self-Programmable Flash ; (7)4K Bytes EEPROM; (8)8K Bytes Internal SRAM; (9)Write/Erase Cycles:10,000 Flash/100,000 EEPROM; (10)Data retention: 20 years at 85℃/ 100 years at 25℃; (11)Optional Boot Code Section with Independent Lock Bits; (12)Two 8-bit Timer/Counters with Separate Prescaler and Compare Mode; (13)Four 16-bit Timer/Counter with Separate Prescaler, Compare- and Capture Mode; (14)Real Time Counter with Separate Oscillator; (15)Four 8-bit PWM Channels.
Diagrams

| Image | Part No | Mfg | Description | ![]() |
Pricing (USD) |
Quantity | ||||||||||||
|---|---|---|---|---|---|---|---|---|---|---|---|---|---|---|---|---|---|---|
![]() |
![]() ATmega2560-16AU |
![]() Atmel |
![]() 8-bit Microcontrollers (MCU) 256kB Flash 4kB EEPROM 86 I/O Pins |
![]() Data Sheet |
![]()
|
|
||||||||||||
![]() |
![]() ATMEGA2560-16AUR |
![]() Atmel |
![]() 8-bit Microcontrollers (MCU) AVR 256K FLSH8K SRAM 4KB EE-16MHz 5V |
![]() Data Sheet |
![]()
|
|
||||||||||||
(China (Mainland))










