Product Summary
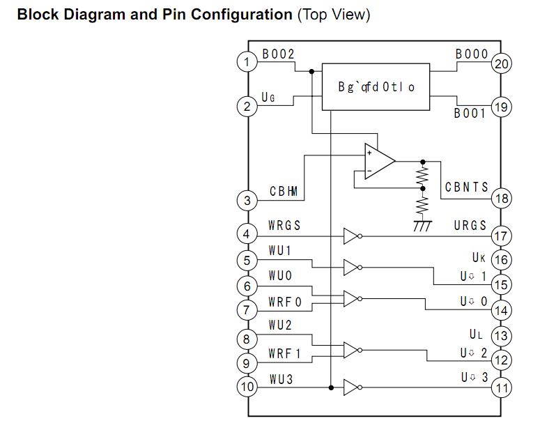
The CXD1267AN is a vertical clock driver for CCD image sensors. This IC is the successor of the CXD1250N with attractive features. Power consumption is reduced approximately 30% for the CXD1267AN version. The CXD1267AN is suitable for CCD cameras.
Parametrics
CXD1267AN absolute maximum ratings: (1)Supply voltage VL: 0 to –10 V; (2)Supply voltage VH: VL – 0.3 to 2VL + 35 V; (3)Supply voltage VM: VL – 0.3 to 3.0 V; (4)Input voltage VI: VL – 0.3 to VH + 0.3 V; (5)Output voltage (V2, V4) MV: VL – 0.3 to VM + 0.3 V; (6)Output voltage (V1, V3) HV: VL – 0.3 to VH + 0.3 V; (7)Output voltage (VSHT) HHV: VL – 0.3 to VH + 0.3 V; (8)Operational amplifier output current IDCOUT: ±5 mA; (9)Operating temperature Topr: –25 to +85℃; (10)Storage temperature Tstg: –40 to +125℃.
Features
CXD1267AN features: (1)Substrate voltage (Vsub) generator is built-in; Variable Vsub in the range of 4.0V to 18.5V; Reduction of peripheral parts saves space; (2)Only two power supplies (+15V and –8.5V) are needed; (3)3.3V clock interface is acceptable; (4)20-pin SSOP package is used; (5)Low power consumption.
Diagrams

| Image | Part No | Mfg | Description | ![]() |
Pricing (USD) |
Quantity | ||||
|---|---|---|---|---|---|---|---|---|---|---|
![]() |
![]() CXD1267AN |
![]() Other |
![]() |
![]() Data Sheet |
![]() Negotiable |
|
||||
| Image | Part No | Mfg | Description | ![]() |
Pricing (USD) |
Quantity | ||||
![]() |
![]() CXD1156Q |
![]() Other |
![]() |
![]() Data Sheet |
![]() Negotiable |
|
||||
![]() |
![]() CXD1159AQ |
![]() Other |
![]() |
![]() Data Sheet |
![]() Negotiable |
|
||||
![]() |
![]() CXD1162P |
![]() Other |
![]() |
![]() Data Sheet |
![]() Negotiable |
|
||||
![]() |
![]() CXD1170M |
![]() Other |
![]() |
![]() Data Sheet |
![]() Negotiable |
|
||||
![]() |
![]() CXD1171M |
![]() Other |
![]() |
![]() Data Sheet |
![]() Negotiable |
|
||||
![]() |
![]() CXD1172AM |
![]() Other |
![]() |
![]() Data Sheet |
![]() Negotiable |
|
||||
(China (Mainland))









