Product Summary
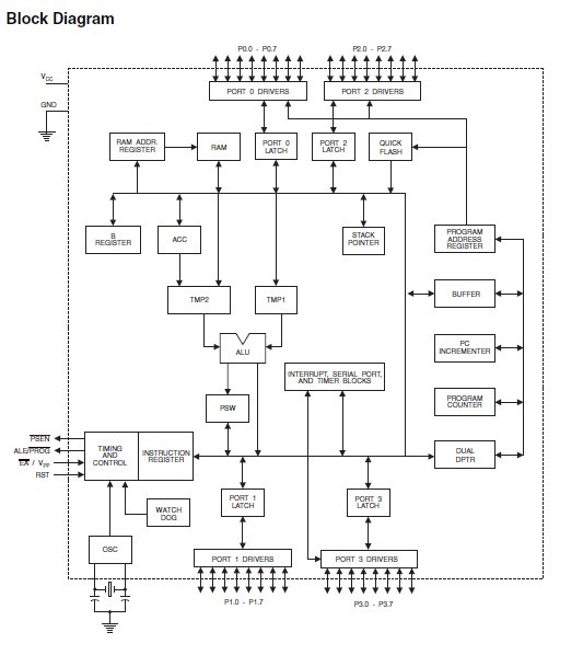
The AT89C55WD-24JU is a low-power, high-performance CMOS 8-bit microcontroller with 20K bytes of Flash programmable read only memory and 256 bytes of RAM.The AT89C55WD-24JU is manufactured using Atmel’s high-density nonvolatile memory technology and is compatible with the industry standard 80C51 and 80C52 instruction set and pinout. The on-chip Flash allows the program memory to be user programmed by a conventional nonvolatile memory programmer. By combining a versatile 8-bit CPU with Flash on a monolithic chip, the Atmel AT89C55WD-24JU is a powerful microcomputer which provides a highly flexible and cost effective solution to many embedded control applications.
Parametrics
AT89C55WD-24JU absolute maximum ratings: (1)operating temperature:-55 to 125℃;(2)storage temperature:-65 to 150℃;(3)voltage on any pin with respect to ground: -1.0 to 7.0V;(4)maximum operating voltage:6.6V;(5)DC output current: 15.0 mA.
Features
AT89C55WD-24JU features: (1)20K bytes of reprogrammable flash memory; (2)endurance: 1000 write/erase cycles; (3)4V to 5.5V operating range; (4)fully static operation: 0 Hz to 33 MHz; (5)three-level program memory lock; (6)256 x 8-bit internal RAM; (7)32 programmable I/O lines; (8)three 16-bit timer/counters; (9)eight interrupt sources; (10)programmable serial channel; (11)low-power idle and power-down modes; (12)interrupt recovery from power-down mode; (13)hardware watchdog timer; (14)dual data pointer; (15)power-off flag; (16)green (Pb/Halide-free) packaging option.
Diagrams

| Image | Part No | Mfg | Description | ![]() |
Pricing (USD) |
Quantity | ||||||||||||
|---|---|---|---|---|---|---|---|---|---|---|---|---|---|---|---|---|---|---|
![]() |
![]() AT89C55WD-24JU |
![]() Atmel |
![]() 8-bit Microcontrollers (MCU) 20kB Flash 256B RAM 4.0V-6.0V |
![]() Data Sheet |
![]()
|
|
||||||||||||
| Image | Part No | Mfg | Description | ![]() |
Pricing (USD) |
Quantity | ||||||||||||
![]() |
![]() AT8934 |
![]() TE Connectivity |
![]() General Purpose / Industrial Relays SEALED R RELAY |
![]() Data Sheet |
![]()
|
|
||||||||||||
![]() |
![]() AT8985P |
![]() Other |
![]() |
![]() Data Sheet |
![]() Negotiable |
|
||||||||||||
![]() |
![]() AT8989UP |
![]() Other |
![]() |
![]() Data Sheet |
![]() Negotiable |
|
||||||||||||
![]() |
![]() AT8992-A2-T-1 |
![]() |
![]() IC SWITCH PHY 64-TQFP |
![]() Data Sheet |
![]() Negotiable |
|
||||||||||||
![]() |
![]() AT8992M-A2-T-1 |
![]() |
![]() IC SWITCH PHY 100-MQFP |
![]() Data Sheet |
![]() Negotiable |
|
||||||||||||
![]() |
![]() AT8993-A2-T-1 |
![]() |
![]() IC SWITCH PHY 100-MQFP |
![]() Data Sheet |
![]() Negotiable |
|
||||||||||||
(China (Mainland))










