Product Summary
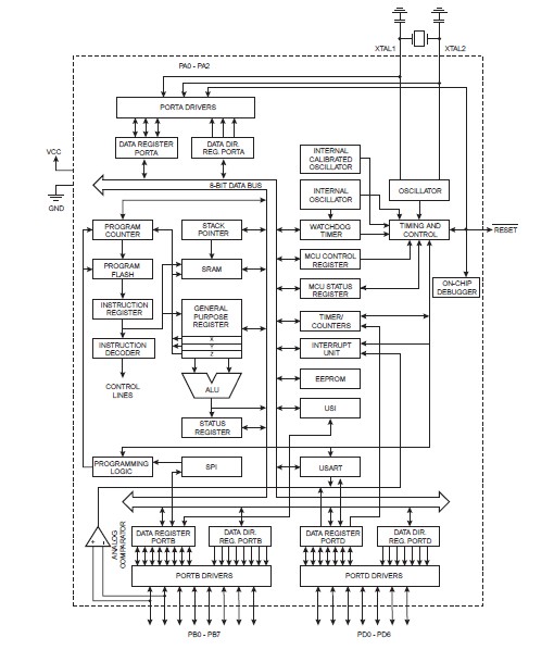
The ATTINY2313V-10PU is an 8-bit microcontroller with 2k bytes in-system programmable flash.
Parametrics
ATTINY2313V-10PU absolute maximum ratings: (1)Speed: 10MHz; (2)Power Supply: 1.8 to 5.5V; (3)Operating range: -40 to 85℃.
Features
ATTINY2313V-10PU features: (1)Utilizes the AVRRISC Architecture; (2)AVR High-performance and Low-power RISC Architecture; (3)Data and Non-volatile Program and Data Memories; (4)Special Microcontroller Features, debugWIRE On-chip Debugging. In-System Programmable via SPI Port. External and Internal Interrupt Sources. Low-power Idle, Power-down, and Standby Modes. Enhanced Power-on Reset Circuit. Programmable Brown-out Detection Circuit. Internal Calibrated Oscillator; (5)I/O and Packages. 18 Programmable I/O Lines. 20-pin PDIP, 20-pin SOIC, 20-pad QFN/MLF.
Diagrams

| Image | Part No | Mfg | Description | ![]() |
Pricing (USD) |
Quantity | ||||||||||||
|---|---|---|---|---|---|---|---|---|---|---|---|---|---|---|---|---|---|---|
![]() |
![]() ATtiny2313V-10PU |
![]() Atmel |
![]() 8-bit Microcontrollers (MCU) 2kB Flash 0.128kB EEPROM 18 I/O Pins |
![]() Data Sheet |
![]()
|
|
||||||||||||
| Image | Part No | Mfg | Description | ![]() |
Pricing (USD) |
Quantity | ||||||||||||
![]() |
![]() ATtiny10 |
![]() Other |
![]() |
![]() Data Sheet |
![]() Negotiable |
|
||||||||||||
![]() |
![]() ATTINY10-MAH |
![]() Atmel |
![]() 8-bit Microcontrollers (MCU) AVR 1KB FL 32B SRAM ATTINY10 12MHz |
![]() Data Sheet |
![]() Negotiable |
|
||||||||||||
![]() |
![]() ATTINY10-MAHR |
![]() Atmel |
![]() 8-bit Microcontrollers (MCU) AVR 1KB FLSH 32B SRAM 12MHz NiPdAu |
![]() Data Sheet |
![]()
|
|
||||||||||||
![]() |
![]() ATTINY10-TS8R |
![]() Atmel |
![]() 8-bit Microcontrollers (MCU) AVR1KB FLSH 32B SRAM 12MHz NiPdAu + 125C |
![]() Data Sheet |
![]()
|
|
||||||||||||
![]() |
![]() ATTINY10-TSHR |
![]() Atmel |
![]() 8-bit Microcontrollers (MCU) 12MHz, Indust. Temp |
![]() Data Sheet |
![]()
|
|
||||||||||||
![]() |
![]() ATtiny11 |
![]() Other |
![]() |
![]() Data Sheet |
![]() Negotiable |
|
||||||||||||
(China (Mainland))













