Product Summary
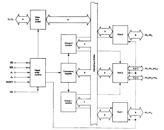
The μPD71055C-10 is a low-power CMOS programmable parallel interface unit for use in microcomputer systems. Typical, the there I/O ports interface peripheral devices to the system bus.
Parametrics
μPD71055C-10 absolute maxing ratings: (1)Power supply voltage VDD: -0.5 to +7.0V; (2)Input voltage VI: -0.5 to VDD+0.3V; (3)Output voltage Vo: -0.5 to VDD +0.3V; (4)Power dissipation PDMAX: 500mW; (5)Operating temperature Topr: -40 to +85℃; (6)Storage temperature Tstg: -65 to +150℃.
Features
μPD71055C-10 features: (1)Three 8-bit I/O ports; (2)Three programmable operation modes; (3)Bit manipulation command; (4)Microcomputer compatible; (5)CMOS technology; (6)Single +5V ±10% power supply; (7)Industrial temperature range: -40 to +85℃; (8)8MHz and 10MHz.
Diagrams

![]() |
![]() UPD70008AG-4 |
![]() Other |
![]() |
![]() Data Sheet |
![]() Negotiable |
|
||||
![]() |
![]() UPD70236AGD-10-5BB |
![]() Other |
![]() |
![]() Data Sheet |
![]() Negotiable |
|
||||
![]() |
![]() UPD7030025AGC-25 |
![]() Other |
![]() |
![]() Data Sheet |
![]() Negotiable |
|
||||
![]() |
![]() UPD703014A |
![]() Other |
![]() |
![]() Data Sheet |
![]() Negotiable |
|
||||
![]() |
![]() UPD703014AY |
![]() Other |
![]() |
![]() Data Sheet |
![]() Negotiable |
|
||||
![]() |
![]() UPD703015A |
![]() Other |
![]() |
![]() Data Sheet |
![]() Negotiable |
|
||||
(China (Mainland))








