Product Summary
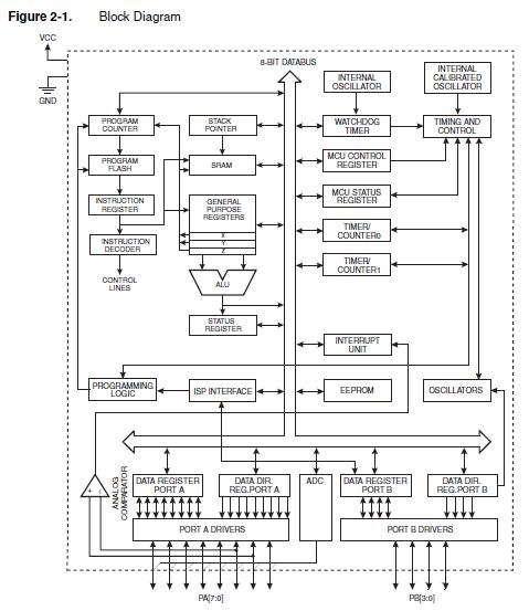
The ATTINY24A-SSU is a low-power CMOS 8-bit microcontroller based on the AVR enhanced RISC architecture. By executing powerful instructions in a single clock cycle, the ATTINY24A-SSU achieves throughputs approaching 1 MIPS per MHz allowing the system designer to optimize power consumption versus processing speed.
Parametrics
ATTINY24A-SSU absolute maximum ratings: (1)Operating Temperature: -55℃ to +125℃; (2)Storage Temperature: -65℃ to +150℃; (3)Voltage on any Pin except RESET with respect to Ground: -0.5V to VCC+0.5V; (4)Voltage on RESET with respect to Ground: -0.5V to +13.0V; (5)Maximum Operating Voltage: 6.0V; (6)DC Current per I/O Pin: 40.0 mA; (7)DC Current VCC and GND Pins: 200.0 mA.
Features
ATTINY24A-SSU features: (1)High Performance, Low Power AVR 8-bit Microcontroller; (2)Advanced RISC Architecture: 120 Powerful Instructions Most Single Clock Cycle Execution, 32 x 8 General Purpose Working Registers, Fully Static Operation; (3)High Endurance, Non-volatile Memory Segments: 2K/4K/8K Bytes of In-System, Self-programmable Flash Program Memory: Endurance: 10,000 Write/Erase Cycles, 128/256/512 Bytes of In-System Programmable EEPROM: Endurance: 100,000 Write/Erase Cycles, 128/256/512 Bytes of Internal SRAM.
Diagrams

| Image | Part No | Mfg | Description | ![]() |
Pricing (USD) |
Quantity | ||||||||||||
|---|---|---|---|---|---|---|---|---|---|---|---|---|---|---|---|---|---|---|
![]() |
![]() ATTINY24A-SSU |
![]() Atmel |
![]() 8-bit Microcontrollers (MCU) 20MHz, Ind Temp 1.8-5.5V, Green |
![]() Data Sheet |
![]()
|
|
||||||||||||
![]() |
![]() ATTINY24A-SSUR |
![]() Atmel |
![]() 8-bit Microcontrollers (MCU) AVR 2KB FLSH 128B EE USI ADC 20MHz 1.8V |
![]() Data Sheet |
![]()
|
|
||||||||||||
![]() |
![]() ATTINY24A-SSU-SL383 |
![]() Other |
![]() |
![]() Data Sheet |
![]() Negotiable |
|
||||||||||||
(China (Mainland))











