Product Summary
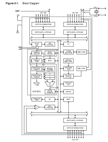
The ATMEGA8A-MU is a low-power CMOS 8-bit microcontroller based on the AVR RISC architecture. By executing powerful instructions in a single clock cycle, the ATMEGA8A-MU achieves throughputs approaching 1 MIPS per MHz, allowing the system designer to optimize power consumption versus processing speed. The Atmel AVR core combines a rich instruction set with 32 general purpose working registers. All the 32 registers are directly connected to the Arithmetic Logic Unit (ALU), allowing two independent registers to be accessed in one single instruction executed in one clock cycle. The resulting architecture is more code efficient while achieving throughputs up to ten times faster than conventional CISC microcontrollers.
Parametrics
ATMEGA8A-MU absolute maximum ratings: (1)Operating Temperature: -55 to +125℃; (2)Storage Temperature: -65 to +150℃; (3)Voltage on any Pin except RESET with respect to Ground: -0.5V to VCC+0.5V; (4)Voltage on RESET with respect to Ground: -0.5V to +13.0V; (5)Maximum Operating Voltage: 6.0V; (6)DC Current per I/O Pin: 40.0 mA; (7)DC Current VCC and GND Pins: 300.0 mA.
Features
ATMEGA8A-MU features: (1)High-performance, Low-power Atmel AVR 8-bit Microcontroller; (2)Advanced RISC Architecture: 130 Powerful Instructions – Most Single-clock Cycle Execution; 32 × 8 General Purpose Working Registers; Fully Static Operation; Up to 16 MIPS Throughput at 16MHz; On-chip 2-cycle Multiplier; (3)High Endurance Non-volatile Memory segments: 8KBytes of In-System Self-programmable Flash program memory; 512Bytes EEPROM; 1KByte Internal SRAM; Write/Erase Cycles: 10,000 Flash/100,000 EEPROM; Data retention: 20 years at 85℃/100 years at 25℃; Optional Boot Code Section with Independent Lock Bits; (4)In-System Programming by On-chip Boot Program; (5)True Read-While-Write Operation: Programming Lock for Software Security; (6)Two 8-bit Timer/Counters with Separate Prescaler, one Compare Mode; (7)One 16-bit Timer/Counter with Separate Prescaler, Compare Mode, and Capture Mode; (8)Real Time Counter with Separate Oscillator; (9)Three PWM Channels; (10)8-channel ADC in TQFP and QFN/MLF package; (11)Eight Channels 10-bit Accuracy: 6-channel ADC in PDIP package; (12)Six Channels 10-bit Accuracy: Byte-oriented Two-wire Serial Interface; Programmable Serial USART; Master/Slave SPI Serial Interface; Programmable Watchdog Timer with Separate On-chip Oscillator; On-chip Analog Comparator; (13)Power-on Reset and Programmable Brown-out Detection; (14)Internal Calibrated RC Oscillator; (15)External and Internal Interrupt Sources; (16)Five Sleep Modes: Idle, ADC Noise Reduction, Power-save, Power-down, and Standby; (17)I/O and Packages: 23 Programmable I/O Lines; 28-lead PDIP, 32-lead TQFP, and 32-pad QFN/MLF; (18)Operating Voltages: 2.7 - 5.5V; (19)Speed Grades: 0 - 16MHz; (20)Power Consumption at 4Mhz, 3V, 25℃; Active: 3.6mA; Idle Mode: 1.0mA; Power-down Mode: 0.5μA.
Diagrams

| Image | Part No | Mfg | Description | ![]() |
Pricing (USD) |
Quantity | ||||||||||||
|---|---|---|---|---|---|---|---|---|---|---|---|---|---|---|---|---|---|---|
![]() |
![]() ATMEGA8A-MU |
![]() Atmel |
![]() 8-bit Microcontrollers (MCU) AVR 8KB, 512B EE 16MHz 1KB SRAM |
![]() Data Sheet |
![]()
|
|
||||||||||||
![]() |
![]() ATMEGA8A-MUR |
![]() Atmel |
![]() 8-bit Microcontrollers (MCU) AVR 8KB FLSH 512B EE 1KB SRAM-16MHz |
![]() Data Sheet |
![]()
|
|
||||||||||||
(China (Mainland))









