Product Summary
The ATMEGA64-16AU is a low-power CMOS 8-bit microcontroller based on the AVR enhanced RISC architecture. By executing powerful instructions in a single clock cycle, the ATMEGA64-16AU achieves throughputs approaching 1 MIPS per MHz, allowing the system designer to optimize power consumption versus processing speed. The ATMEGA64-16AU is manufactured using Atmel’s high-density non-volatile memory technology.
Parametrics
ATMEGA64-16AU absolute maximum ratings: (1)Operating Temperature:-55℃ to +125℃; (2)Storage Temperature:-65℃ to +150℃; (3)Voltage on any Pin except RESET with respect to Ground:-0.5V to VCC+0.5V; (4) Voltage on RESET with respect to Ground:-0.5V to +13.0V; (5) Maximum Operating Voltage: 6.0V; (6) DC Current per I/O Pin: 40.0mA; (7) DC Current VCC and GND Pins: 200.0 to 400.0mA.
Features
ATMEGA64-16AU features: (1)130 Powerful Instructions-Most Single Clock Cycle Execution; (2)32 x 8 General Purpose Working Registers + Peripheral Control Registers; (3)Fully Static Operation; (4)Up to 16 MIPS Throughput at 16 MHz; (5)On-chip 2-cycle Multiplier; (6)64K Bytes of In-System Reprogrammable Flash program memory; (7)2K Bytes EEPROM; (8)4K Bytes Internal SRAM; (9)Write/Erase Cycles: 10,000 Flash/100,000 EEPROM; (10)Data retention: 20 years at 85℃/100 years at 25℃; (11)Up to 64K Bytes Optional External Memory Space; (12)Programming Lock for Software Security; (13)SPI Interface for In-System Programming; (14)Boundary-scan Capabilities According to the JTAG Standard; (15)Extensive On-chip Debug Support; (16)Programming of Flash, EEPROM, Fuses, and Lock Bits through the JTAG Interface; (17)Two 8-bit Timer/Counters with Separate Prescalers and Compare Modes; (18)Two Expanded 16-bit Timer/Counters with Separate Prescaler, Compare Mode, and Capture Mode; (19)Real Time Counter with Separate Oscillator; (20)Two 8-bit PWM Channels; (21)6 PWM Channels with Programmable Resolution from 1 to 16 Bits; (22)8-channel, 10-bit ADC; (23)Byte-oriented Two-wire Serial Interface; (24)Dual Programmable Serial USARTs; (25)Master/Slave SPI Serial Interface; (26)Programmable Watchdog Timer with On-chip Oscillator; (27)On-chip Analog Comparator.
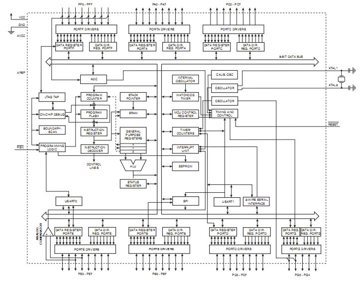
Diagrams

| Image | Part No | Mfg | Description |  | Pricing (USD) | Quantity | ||||||||||||
|---|---|---|---|---|---|---|---|---|---|---|---|---|---|---|---|---|---|---|
|  |  ATmega64-16AU |  Atmel |  8-bit Microcontrollers (MCU) 64kB Flash 2kB EEPROM 54 I/O Pins |  Data Sheet |  
 |  | ||||||||||||
|  |  ATMEGA64-16AUR |  Atmel |  8-bit Microcontrollers (MCU) AVR 64KB FLSH 2KB EE 4KB SRAM-16MHZ 5V |  Data Sheet |  
 |  | ||||||||||||
 (China (Mainland))
 (China (Mainland)) 
                         
                        
 
                                    




