Product Summary
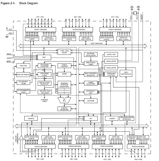
The AT90CAN32-16AU is a low-power CMOS 8-bit microcontroller based on the AVR enhanced RISC architecture. By executing powerful instructions in a single clock cycle, the AT90CAN32-16AU achieves throughputs approaching 1 MIPS per MHz allowing the system designer to optimize power consumption versus processing speed. The AT90CAN32-16AU provides the following features: 32K bytes of In-System Programmable Flash with Read-While-Write capabilities, 1K/2K bytes EEPROM, 2K/4K bytes SRAM, 53 general purpose I/O lines, 32 general purpose working registers, a CAN controller, etc. It is also used for accessing the On-chip Debug system and programming and five software selectable power saving modes.
Parametrics
AT90CAN32-16AU absolute Maximum Ratings: (1)Industrial Operating Temperature: – 40℃ to +85℃; (2)Storage Temperature: – 65℃ to +150℃; (3)Voltage on any Pin except RESET with respect to Ground: – 0.5V to VCC+0.5V; (4)Voltage on RESET with respect to Ground:– 0.5V to +13.0V; (5)Voltage on VCC with respect to Ground: – 0.5V to 6.0V; (6)DC Current per I/O Pin: 40.0 mA; (7)DC Current VCC and GND Pins: 200.0 mA.
Features
AT90CAN32-16AU features: (1)High-performance, Low-power AVR? 8-bit Microcontroller; (2)Advanced RISC Architecture: 133 Powerful Instructions – Most Single Clock Cycle Execution; 32 x 8 General Purpose Working Registers + Peripheral Control Registers; Fully Static Operation; Up to 16 MIPS Throughput at 16 MHz; On-chip 2-cycle Multiplier; (3)Non volatile Program and Data Memories; (4)JTAG (IEEE std. 1149.1 Compliant) Interface: Boundary-scan Capabilities According to the JTAG Standard; programming Flash (Hardware ISP), EEPROM, Lock & Fuse Bits; Extensive On-chip Debug Support; (5)CAN Controller 2.0A & 2.0B.
Diagrams

| Image | Part No | Mfg | Description | ![]() |
Pricing (USD) |
Quantity | ||||||||||||
|---|---|---|---|---|---|---|---|---|---|---|---|---|---|---|---|---|---|---|
![]() |
![]() AT90CAN32-16AU |
![]() Atmel |
![]() 8-bit Microcontrollers (MCU) CAN AVR UC 32K FLASH SAMPLE |
![]() Data Sheet |
![]()
|
|
||||||||||||
![]() |
![]() AT90CAN32-16AUR |
![]() Atmel |
![]() 8-bit Microcontrollers (MCU) CAN AVR 32K Flash |
![]() Data Sheet |
![]()
|
|
||||||||||||
(China (Mainland))










