Product Summary
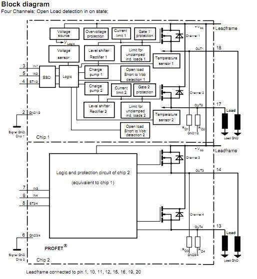
The ITS711L1 is an N channel vertical power FET with charge pump, ground referenced CMOS compatible input and diagnostic feedback, monolithically integrated in Smart SIPMOS technology. Providing embedded protective functions. The applications of the ITS711L1 are uC compatible power switch with diagnostic feedback for 12 V and 24 V DC grounded loads in industrial applications, All types of resistive, inductive and capacitive loads and Replaces electromechanical relays and discrete circuits.
Parametrics
ITS711L1 absolute maximum ratings: (1)Supply voltage, Vbb: 43 V; (2)Supply voltage for full short circuit protection, Vbb: 34 V; (3)Load dump protection , VLoad dump:60 V; (4)Junction temperature, Tj: 150℃; (5)Operating temperature range, Ta: -30 to 85℃; (6)Storage temperature range, Tstg: -40 to 105℃; (7)Power dissipation, Ptot: 3.6W.
Features
ITS711L1 features: (1)Overload protection; (2)Current limitation; (3)Short-circuit protection; (4)Thermal shutdown; (5)Overvoltage protection (including load dump); (6)Fast demagnetization of inductive loads; (7)Reverse battery protection1); (8)Undervoltage and overvoltage shutdown with auto-restart and hysteresis; (9)Open drain diagnostic output; (10)Open load detection in ON-state; (11)CMOS compatible input; (12)Loss of ground and loss of Vbb protection; (13)Electrostatic discharge (ESD) protection.
Diagrams

| Image | Part No | Mfg | Description | ![]() |
Pricing (USD) |
Quantity | ||||||||||||
|---|---|---|---|---|---|---|---|---|---|---|---|---|---|---|---|---|---|---|
![]() |
![]() ITS711L1 |
![]() Infineon Technologies |
![]() Power Switch ICs - Power Distribution SMART 4 CHAN HI SIDE PWR SWITCH INDUST AP |
![]() Data Sheet |
![]()
|
|
||||||||||||
| Image | Part No | Mfg | Description | ![]() |
Pricing (USD) |
Quantity | ||||||||||||
![]() |
![]() ITS711L1 |
![]() Infineon Technologies |
![]() Power Switch ICs - Power Distribution SMART 4 CHAN HI SIDE PWR SWITCH INDUST AP |
![]() Data Sheet |
![]()
|
|
||||||||||||
![]() |
![]() ITS716G |
![]() Infineon Technologies |
![]() Power Switch ICs - Power Distribution SMART HI SIDE PWR SWITCH INDUSTRY APP |
![]() Data Sheet |
![]()
|
|
||||||||||||
![]() |
![]() ITS724G |
![]() Infineon Technologies |
![]() Power Switch ICs - Power Distribution SMART HI SIDE PWR SWITCH INDUSTRY APP |
![]() Data Sheet |
![]()
|
|
||||||||||||
(China (Mainland))









