Product Summary
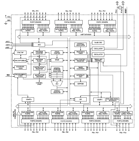
The ATMEGA128L-8AU is a CMOS 8-bit Microcontroller with 128K Bytes In-System Programmable Flash. The ATMEGA128L-8AU is based on the AVR enhanced RISC architecture. By executing powerful instructions in a single clock cycle, the The ATMEGA128L-8AU is achieves throughputs approaching 1 MIPS per MHz allowing the system designer to optimize power consumption versus processing speed.
Parametrics
ATMEGA128L-8AU absolute maximum ratings: (1)Speed: 8MHz; (2)Power Supply Ordering: 2.7V to 5.5V; (3)Code Package: 64A; (4)Operation Range: -40 to 85℃.
Features
ATMEGA128L-8AU features: (1)High-performance, Low-power AVR 8-bit Microcontroller; (2)Advanced RISC Architecture; (3)Nonvolatile Program and Data Memories; (4)JTAG (IEEE std. 1149.1 Compliant) Interface; (5)Two 8-bit Timer/Counters with Separate Prescalers and Compare Modes; (6)Two Expanded 16-bit Timer/Counters with Separate Prescaler, Compare Mode and Capture Mode; (7)Real Time Counter with Separate Oscillator; (8)Two 8-bit PWM Channels; (9)53 Programmable I/O Lines; (10)64-lead TQFP and 64-pad QFN/MLF; (11)Operating Voltages: 2.7 - 5.5V for ATmega128L; 4.5 - 5.5V for ATmega128; (12)Speed Grades: 0 - 8 MHz for ATmega128L; 0 - 16 MHz for ATmega128.
Diagrams

| Image | Part No | Mfg | Description | ![]() |
Pricing (USD) |
Quantity | ||||||||||||
|---|---|---|---|---|---|---|---|---|---|---|---|---|---|---|---|---|---|---|
![]() |
![]() ATmega128L-8AU |
![]() Atmel |
![]() 8-bit Microcontrollers (MCU) 128kB Flash 4kB EEPROM 53 I/O Pins |
![]() Data Sheet |
![]()
|
|
||||||||||||
![]() |
![]() ATMEGA128L-8AUR |
![]() Atmel |
![]() 8-bit Microcontrollers (MCU) AVR,128KB FLASH,8MHZ 4KB EE 4KB SRAM |
![]() Data Sheet |
![]()
|
|
||||||||||||
(China (Mainland))










